HOME

Buizeneindtrap


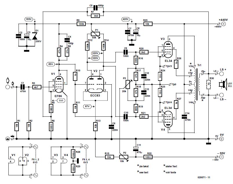
  1. Deze buizen eindtrap die door de auteur de naam 'Straighgt' heeft meegekregen, is een ontwerp met twee EL34's in balansschakeling. Het vermogen ligt ruimschoots boven de 35W bij een lage vervorming en een brede frequentiekarakteristiek. In combinatie met een paar goede luidsprekerboxen met een redelijk rendement is een uitstekende weergavekwaliteit mogelijk. Dan blijkt zelfs dat een dergelijk simpel ontwerp met vrij conventionele specificaties ons bij sommige muziekpassages de rillingen over de rug doen lopen.
  2. --Citaat uit Electuur 2003--
  3.  
  4. Input impedance: 1 MΩ.
  5. Input sensitivity: 600 mV.
  6. Nominal loudspeaker impedance: 8 Ω (4 Ω optional).
  7. Maximum output power: 39 W into 8 Ω.
  8. Bandwidth at 1 W: 5 Hz – >40 kHz.
  9. THD+ noise (1 W/8 Ω, 1 kHz): 0.06% (B = 80 kHz).
  10. Signal to noise ratio: 62 dB (B = 22 kHz) - 88 dB (A-weighted).
  11.  
  12. Mogelijk te koop.